 +86-769-85303229     +86-13763283864     jennyguo@fazcwj.com
Brida de acero inoxidable Émbolos de resorte Micro Corto MPFS
Casa » productos » Émbolo de resorte » Brida de acero inoxidable Émbolos de resorte Micro Corto MPFS

loading

Compartir con:
facebook sharing button
twitter sharing button
line sharing button
wechat sharing button
linkedin sharing button
pinterest sharing button
whatsapp sharing button
sharethis sharing button

Brida de acero inoxidable Émbolos de resorte Micro Corto MPFS

Estado de Disponibilidad:
Cantidad:

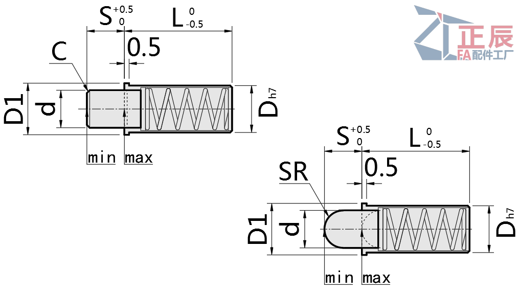
Diseñado con una brida para evitar que el émbolo sea empujado a través de un orificio cuando se presiona la bola. Estos émbolos con resorte tienen un extremo cónico y un cuerpo liso para que sea fácil presionarlos en orificios sin rosca en materiales blandos como madera, plástico y aluminio. Taladre un agujero un poco más pequeño para un ajuste perfecto.

El acero es fuerte y resistente al desgaste.

El acero inoxidable es resistente a productos químicos y puede ser ligeramente magnético.

El plástico es resistente a los químicos y liviano; Las narices de plástico son extra suaves para minimizar el daño a superficies blandas como el aluminio.

El latón es resistente a la corrosión en ambientes húmedos.

La fuerza nasal extendida es la fuerza necesaria para comenzar a deprimir la nariz. La fuerza nasal comprimida es la fuerza necesaria para presionar la nariz al ras del cuerpo. Cuando se utiliza un émbolo como retén o tope, una fuerza de punta más ligera con un orificio menos profundo se libera más fácilmente, mientras que una fuerza más intensa con un orificio más profundo se sujeta con mayor seguridad.

 Émbolos de microresorte

Anterior: 
Siguiente: 
Dongguan Zhengchen Hardware Co., Ltd. Durante más de 10 años, Our Products ha aprovechado tecnologías avanzadas y un control de calidad inigualable para ofrecer piezas diseñadas con precisión en todo el mundo, impactando prácticamente todos los aspectos de la vida moderna.
Deje mensaje
Mantente en contacto con nosotros

Contáctenos

+86-769-85303229
+86-13763283864
+86-13763283864
galina910902
Haofeng Indu, Xinming Rd, ciudad de Changan, ciudad de Dongguan, Guangdong China 523850

Enlaces rápidos

Envíanos mensajes

Derechos de autor © 2023 Dongguan Zhengchen Hardware Co., Ltd. Todos los derechos reservados.| Sitemap |Con apoyo de Leadong